ປະ​ເພດ​ຄຳ​ຮ້ອງ
Petty Patent
ປະ​ເພດ​ຄຳ​ຮ້ອງຍ່ອຍ
Petty Patent
(10) ເລກທີ ແລະ ວັນທີການຈົດທະບຽນ
08.11.2022
ສະຖານະ
Registered
(180) ມື້​ໝົດ​ອາຍຸ
18.03.2031
(20) ​ເລກທີ ​ແລະ ມື້ ຍື່ນ​ຄຳ​ຮ້ອງ
LA E/75 18.03.2021
(40) ​ເລກທີ ​ແລະ ວັນ​ທີ​ເຜີຍ​ແຜ່
LA E/75
11.11.2022
(86) ເລກທີ ແລະ ວັນທີ ເອກະສານ PCT
(87) and Date ເລກທີ ແລະ ວັນທີ່ ເຜີຍແຜ່ PCT
(85) ວັນ​ທີເອກະສານ​ເຂົ້າ
(30) ລາຍລະອຽດບຸລິມະສິດ
CN 202010204296.4
21.03.2020
(72) ຜູ້​ປະດິດສ້າງ
(LA) Bichao Chen : North Side of West We'er Road, Baiwei Avenue, Tangzhang Town, Weihui City, Henan Province, China
(74) ຊຶ່ບໍລິສັດຕົວແທນ
(LA) CONCETTI-LAO CO., LTD : Lao-Thai Friendship Road, Sokpaluang Village,Sisattanak District, Vientiane Lao PDR, Tel: 312 383
(54) ຫົວຂໍ້
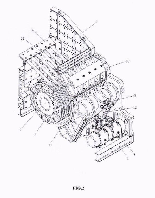
(LA) HORIZONTAL GYRATORY CRUSHER
(EN) HORIZONTAL GYRATORY CRUSHER
(57) ບົດສັງເຂບ
(LA)

It is provided a horizontal gyratory crusher. The crusher comprises
a power device and a crushing device. The power device is located at
a side ofthe crushing device' The por.l'er device drives the crushing device.
The crushing device is provided with a hydraulic adjusting device
thereon. The crusher provided by the present utility model effectively overcomes the disadvantages ofheight ofexisting
crusher
apparatus,
lacking
prescreening function,
conical
rolling mortar
wall.
complex
infrastructure
and
high cost.
It is suitable
for large-scale
promotion and use.

(58) ການ​ຮຽກຮ້ອງ
ປະເພດຂອງເອກະສານ ວັນທີ ການດໍາເນີນການ
ຊື່ຂອງລາຍການວັນ​ທີສະຖານະ
Filing18.03.2021Filed
Registration08.11.2022Registered
Publication11.11.2022Published